Описание
Характеристики
Видео
Описание
Серия High Perfomance Plus - одна из самых популярных серий аэрографов IWATA. Эти аэрографы известны как профессиональные "рабочие лошадки"! Материальное сопло - 0.2 мм. Без красочной емкости - полость в корпусе 0.9 мл, без крышки, расположение верхнее. Цвет - хром.
Aэрограф двойного независимого действия, внутреннего смешения.
Популярная серия High Performance для более полной эффективности была оснащена новыми особенностями:
- тефлоновые прокладки иглы, которые не боятся автомобильных или других красок на основе растворителя;
- улучшенная центровка сопла;
- цельнособранные в один узел вспомогательный рычаг и направляющий зажим иглы обеспечивает легкую сборку аэрографа;
- гриф с вырезом для быстрой очистки и механизмом ограничения подачи краски;
Отлично подходит для:
- Nail Art (росписи ногтей).
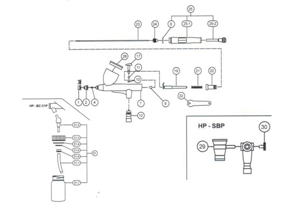
Схема устройства аэрографа Iwata HP-A-Plus (0,2mm):
| №
| parts
| HP-AP | HP-BP | HP-SBP | HP-CP | HP-BC1P |
| 1 | needle cap | 98531030 | 98531030 | 98531030 | 98532030 | 98532030 |
| 2 | nozzle cap | 98530020 | 98530020 | 98530020 | 98532020 | 98532020 |
| 4 | nozzle | 98531430 | 98531430 | 98531430 | 98535440 | 98535440 |
| 6 | head o-ring (G901) | 98012600 | 98012600 | 98012600 | 98012600 | 98012600 |
| 7 | body | 98535530 | 98530504 | 98532540 | 98531540 | 98533540 |
| 9 | needle packing screw | 98532430 | 98532430 | 98532430 | 98535400 | 98535400 |
| 10 | packing piston guide | 93906830 | 93906830 | 93906830 | 93906830 | 93906830 |
| 11 | valve piston | 98532140 | 98532140 | 98532140 | 98532140 | |
| 12 | air valve set | 98534280 | 98534280 | 98534280 | 98532260 | 98532260 |
| 17 | main lever | 98532070 | 98532070 | 98532070 | 98532240 | 98535020 |
| 19 | needle chucking guide | 98533430 | 98533430 | 98533430 | 98530410 | 98530410 |
| 21 | needle spring | 98531060 | 98531060 | 98531060 | 98532120 | 98532120 |
| 22 | spring guide | 98530550 | 98530550 | 98530550 | 98531410 | 98531410 |
| 23 | fluid needle | 98530030 | 98530030 | 98530030 | 98532040 | 98532040 |
| 24 | needle screw | 98531080 | 98531080 | 98531080 | 98531080 | 98531080 |
| 25 | pre-set cap set | 98531550 | 98531550 | 98531550 | 98534430 | 98534430 |
| 25-1 | pre-set cap | 98532550 | 98532550 | 98532550 | 98535430 | 98535430 |
| 25-2 | pre set handle | 98531460 | 98531460 | 98531460 | 98531460 | 98531460 |
| 28 | lid for cup | 98535390 | ||||
| 29 | side bottle | HPA-SB1 | ||||
| 30 | blanking cover | 98534010 | ||||
| 31 | bottle set with lid | 98901020 | ||||
| 31-1 | tube w/pipe | 98534040 | ||||
| 31-2 | joint | 98534000 | ||||
| 31-3 | bottle lid | 98532310 | ||||
| 31-4 | lid packing | 98536000 | ||||
| 31-5 | washer | 98537000 | ||||
| 31-6 | nut | 98538000 | ||||
| 31-7 | bottle without lid | 98532330 |
Характеристики
По применению
Иллюстрация
Страна
Япония
Бренд
Anest Iwata
Видео
Аналогичные товары
Ранее просмотренные
Интернет-магазин Всё для покраски официальный дистрибьютор оборудования для окраски. Вы можете купить Аэрограф Iwata HP-A-Plus, заказав на сайте с доставкой по всей России или посетить наш шоу-рум. Мы готовы отправить вам Аэрограф Iwata HP-A-Plus, ТК СДЕК , Почтой России или любой удобной для вас транспортной компанией . Перед приездом в магазин необходимо позвонить и зарезервировать товар.
